INDEX
1.HPH-30的特徵
特別小,φ5點可以在可選溫度下加熱至1350℃。
完美乾淨。 該點被加熱到高溫加熱器以聚焦鹵素燈的光。
安裝特殊的散熱片,可在真空室內加熱。
小區域,只有使用光纖的激光加熱現在可以加熱,但也可以通過HPH。
而且與激光加熱系統相比,效率高,成本低,而且節能。
此外,與激光加熱系統相比更安全。
在照明方向沒有限制,汽車燈泡提供類似的振動和抗衝擊性,機器人也可以安裝。
*停止時,增加大的衝擊,因此需要減震器。
[ 新技術 ]
HPH-30的沒有防護玻璃。
規格高度集光金鍍金鏡高效設計。
光源採用了專門設計的滷素燈。
部分分為鏡和燈,可以只更換燈或只替換鏡。
我們採用了兩級集光鏡,以防止由於小型化而導致的光利用率降低。
[使用鹵素燈的一般指南]
加熱溫度根據被攝體的類型而變化。
加熱溫度的控制是在照射時間的控製或電壓0-100%的控制。
可以通過一個殼體增加110%的過電壓。 但是,燈的壽命將是約1/3。
高頻閃爍會降低壽命。
[用戶可以正確使用空冷型和水冷型。]
■壓縮空氣冷卻型需要加熱器控制器和空氣壓縮機,但體積很小。
■水冷型需要加熱器控制器和冷卻器(水冷卻器),但也可用於真空容器。
2.HPH-30的外形照片
3.HPH-30的焦距和焦點径
是下邊的照片在HPH-30/f15/12V-110W(焦距15mm的機種)更換照射距離,照射的狀態。
即使照射距離比焦距近也即使久遠也聚光的直徑變得大。
如果使用這個性格的話,一樣不照射,但是能照射比較廣闊的範圍。
在需要嚴密地一樣的配光的時候,而不是單純的橢圓鏡子,需要特別設計配光,管理的鏡子。
然而,由於光源的燈絲存在於成像焦點甚至三維立體形狀,平面均勻的光分佈是很困難的。
4.HPH-30的升溫時間
※HPH-30跟HPH-30CA被加熱性能是相同的。
內置空氣冷卻装置代替水冷式装置。
當在耐火磚上安裝熱電偶進行測量時,熱從耐火磚傳導到熱電偶,導致高溫。
5.HPH-30的電壓和壽命
如上圖所示,如果從定格電壓降低10%,設計壽命將增加3倍。
如果從定格電壓降低20%,設計壽命將增加9倍。
6.手動控制→HCV系列
7.自動溫度控制→HHC 2系列
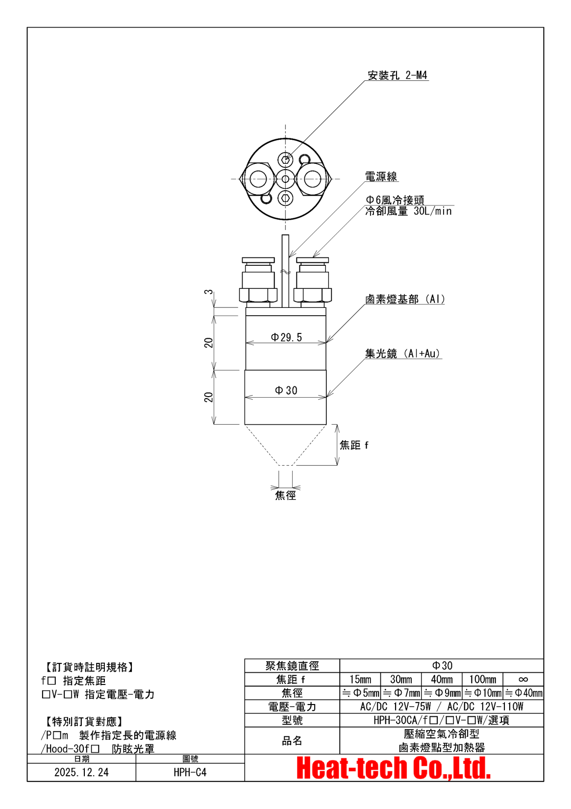
8.HPH-30的外形圖
HPH-30將集光鏡和鹵素燈基部組合在一起,指定電源線的長度並使用它。
9.HPH-30的外形圖
HEAT-TECH 最佳技術網店 



























